ZFX-H錐形鎖風閥
錐形鎖風閥廣泛適用于建材、冶金、礦山、煤炭、化工、熱電等行業,用于物料輸送的自動調節及控制,防止野風的進入,確保系統正常運行。
結構特點
采用優質鋼材焊接而成,運行靈活、密閉性好、性能可靠,具有自動鎖風落料的功效。特別適用于無粘度的固體粉料,細小顆粒料,晶體料的輸送與調節。
性能參數
|
適用介質 |
適用溫度 |
卸灰能力 |
|
粉塵物料 |
≤350℃ |
15~65t/h |
工作原理
錐形鎖風閥利用力矩平衡的方法實現卸灰。當作用于翻板上的物料產生的力矩大于重錘搖桿產生的力矩時,閥板打開向下卸灰。一旦積灰卸去后,重錘與搖桿產生的力矩使閥板迅速關閉,實現鎖氣。落料的頻率及卸灰量依據工況需要來調整重錘位置。
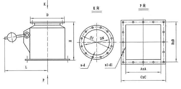
◎ZFX-H外形圖

ZFX-H外形連接尺寸
|
DN |
D |
D1 |
H |
A×A |
B×B |
C×C |
n-d |
n1-d1 |
L |
|
200 |
280 |
245 |
400 |
300×300 |
355×355 |
400×400 |
8-Φ10 |
12-Φ10 |
500 |
|
250 |
350 |
305 |
450 |
350×350 |
405×405 |
450×450 |
12-Φ10 |
12-Φ10 |
550 |
|
300 |
400 |
355 |
500 |
400×400 |
455×455 |
500×500 |
12-Φ10 |
16-Φ10 |
600 |
|
350 |
450 |
405 |
550 |
450×450 |
505×505 |
550×550 |
12-Φ12 |
16-Φ12 |
650 |
|
400 |
500 |
455 |
600 |
500×500 |
555×555 |
600×600 |
16-Φ12 |
20-Φ12 |
815 |
|
500 |
600 |
555 |
700 |
600×600 |
655×655 |
700×700 |
20-Φ14 |
20-Φ14 |
870 |
使用說明
•安裝時請注意閥體上標注介質流向,兩法蘭連接時必需加密封墊片,然后均勻鎖緊螺栓。
•設備在運行時,請定期給傳動部分加潤滑油。
•若長期存放應使設備處于關閉狀態,各傳動部位加潤滑油,不允許露天存放或堆置。
訂貨須知
•選用訂貨時,請參照產品樣本注明產品規格、型號及技術參數(使用溫度、設備工況、介質性質等)。
•選用訂貨時,若未注明客戶選用電裝代號的按我公司基本型配置,其基本型為普通型裝置,不帶任何有關特殊要求及相關配件。
•表格中未列規格、用于特殊介質或其它特殊要求,請與我公司經銷部、技術部聯系,可為您另行設計、制造。


